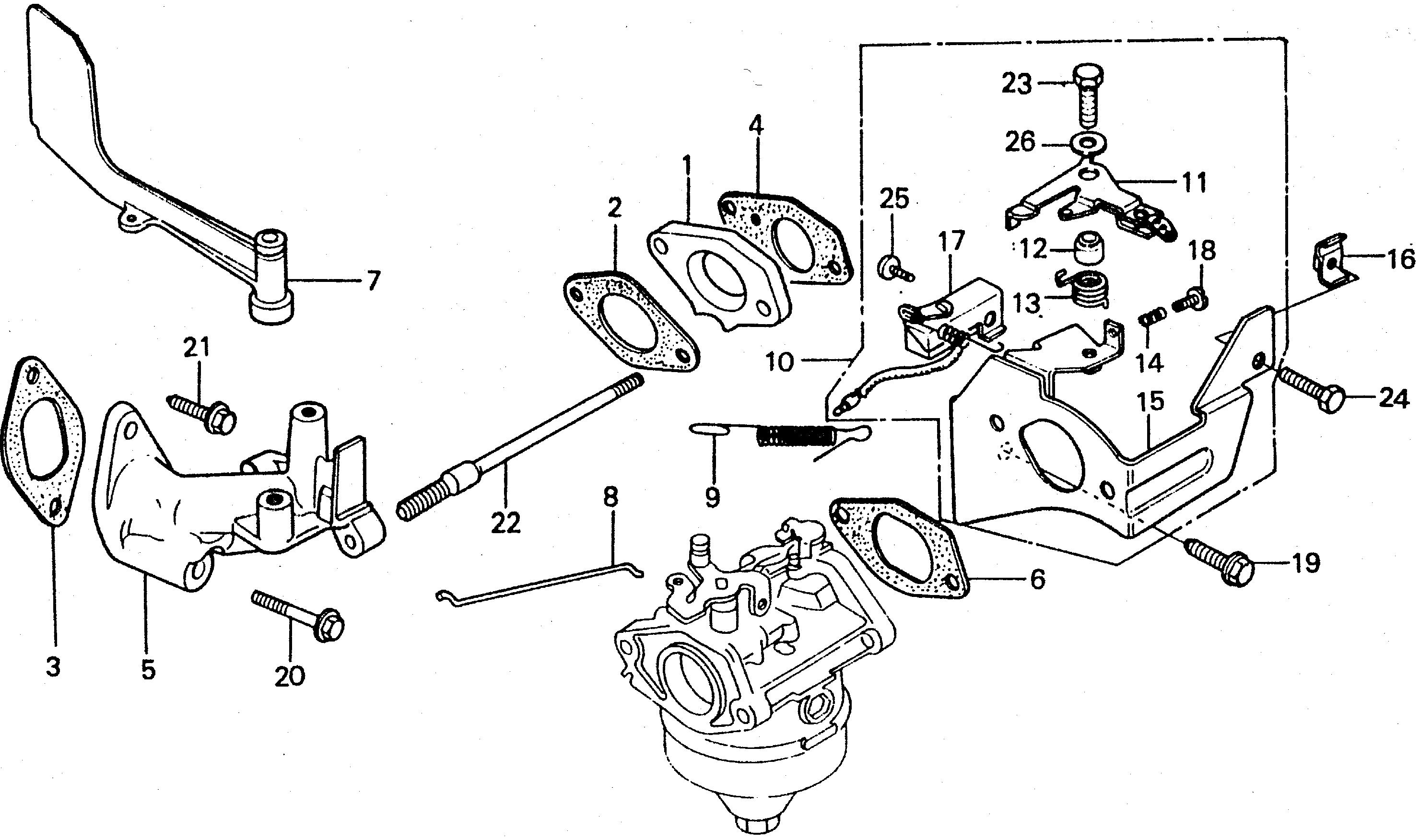
Lawn Mowers HRA HRA21 HRA21 SDA HRA21-1000001-9999999 CONTROL@GOVERNOR FLUTTER - Nutter Hardware and Rental

Ref No
Part Number
Description
Serial Range
Qty
Price

Ref No
1
Part Number
16211-887-000
Description
INSULATOR, CARBURETOR
Serial Range
1000001 - 9999999

Ref No
2
Part Number
16212-887-306
Description
GASKET, INSULATOR
Serial Range
1000001 - 9999999
Qty
Price
$3.18

Ref No
3
Part Number
16220-888-000
Description
GASKET, MANIFOLD (NOT AVAILABLE)
Serial Range
1000001 - 9999999

Ref No
4
Part Number
16221-883-306
Description
GASKET, CARBURETOR
Serial Range
1000001 - 9999999

Ref No
4
Part Number
16221-887-800
Description
GASKET, CARBURETOR
Serial Range
1000001 - 9999999
Qty
Price
$3.24

Ref No
5
Part Number
16224-888-040
Description
MANIFOLD, IN. (NOT AVAILABLE)
Serial Range
1000001 - 9999999

Ref No
6
Part Number
16269-883-800
Description
GASKET, AIR CLEANER
Serial Range
1000001 - 9999999
Qty
Price
$1.64

Ref No
7
Part Number
16512-888-030
Description
FLUTTER, GOVERNOR (NOT AVAILABLE)
Serial Range
1000001 - 9999999

Ref No
8
Part Number
16555-888-010
Description
ROD, GOVERNOR (NOT AVAILABLE)
Serial Range
1000001 - 9999999

Ref No
9
Part Number
16561-888-020
Description
SPRING, GOVERNOR (NOT AVAILABLE)
Serial Range
1000001 - 9999999
Qty
Price
$6.66

Ref No
10
Part Number
16570-952-030
Description
CONTROL ASSY.
Serial Range
1000001 - 9999999

Ref No
11
Part Number
16571-952-330
Description
LEVER, CONTROL (NOT AVAILABLE)
Serial Range
1000001 - 9999999

Ref No
12
Part Number
16574-952-300
Description
COLLAR, LEVER SETTING
Serial Range
1000001 - 9999999

Ref No
13
Part Number
16575-952-310
Description
SPRING, RETURN
Serial Range
1000001 - 9999999

Ref No
14
Part Number
16576-952-000
Description
SPRING, STOPPER LEVER
Serial Range
1000001 - 9999999

Ref No
15
Part Number
17235-952-320
Description
STAY, CLEANER CASE
Serial Range
1000001 - 9999999

Ref No
16
Part Number
17251-952-000
Description
HOLDER, WIRE
Serial Range
1000001 - 9999999

Ref No
17
Part Number
36100-952-752
Description
SWITCH ASSY., ENGINE STOP
Serial Range
1000001 - 9999999
Qty
Price
$21.62

Ref No
18
Part Number
90012-952-000
Description
BOLT (4X20) (NOT AVAILABLE)
Serial Range
1000001 - 9999999

Ref No
19
Part Number
90013-883-000
Description
BOLT, FLANGE (6X12) (CT200)
Serial Range
1000001 - 9999999

Ref No
20
Part Number
90014-888-000
Description
BOLT, FLANGE (6X50) (CT200)
Serial Range
1000001 - 9999999
Qty
Price
$5.40

Ref No
21
Part Number
90022-888-010
Description
BOLT, FLANGE (6X20) (CT200)
Serial Range
1000001 - 9999999
Qty
Price
$2.94

Ref No
22
Part Number
90043-888-010
Description
BOLT, STUD (6X141) (NOT AVAILABLE)
Serial Range
1000001 - 9999999

Ref No
23
Part Number
92101-05020-0A
Description
BOLT, HEX. (5X20)
Serial Range
1000001 - 9999999
Qty
Price
$1.42

Ref No
24
Part Number
92101-06014-0A
Description
BOLT, HEX. (6X14)
Serial Range
1000001 - 9999999
Qty
Price
$1.76

Ref No
25
Part Number
93500-04008-0A
Description
SCREW, PAN (4X8)
Serial Range
1000001 - 9999999
Qty
Price
$1.06

Ref No
26
Part Number
94101-05000
Description
WASHER, PLAIN (5MM)
Serial Range
1000001 - 9999999
Qty
Price
$1.20