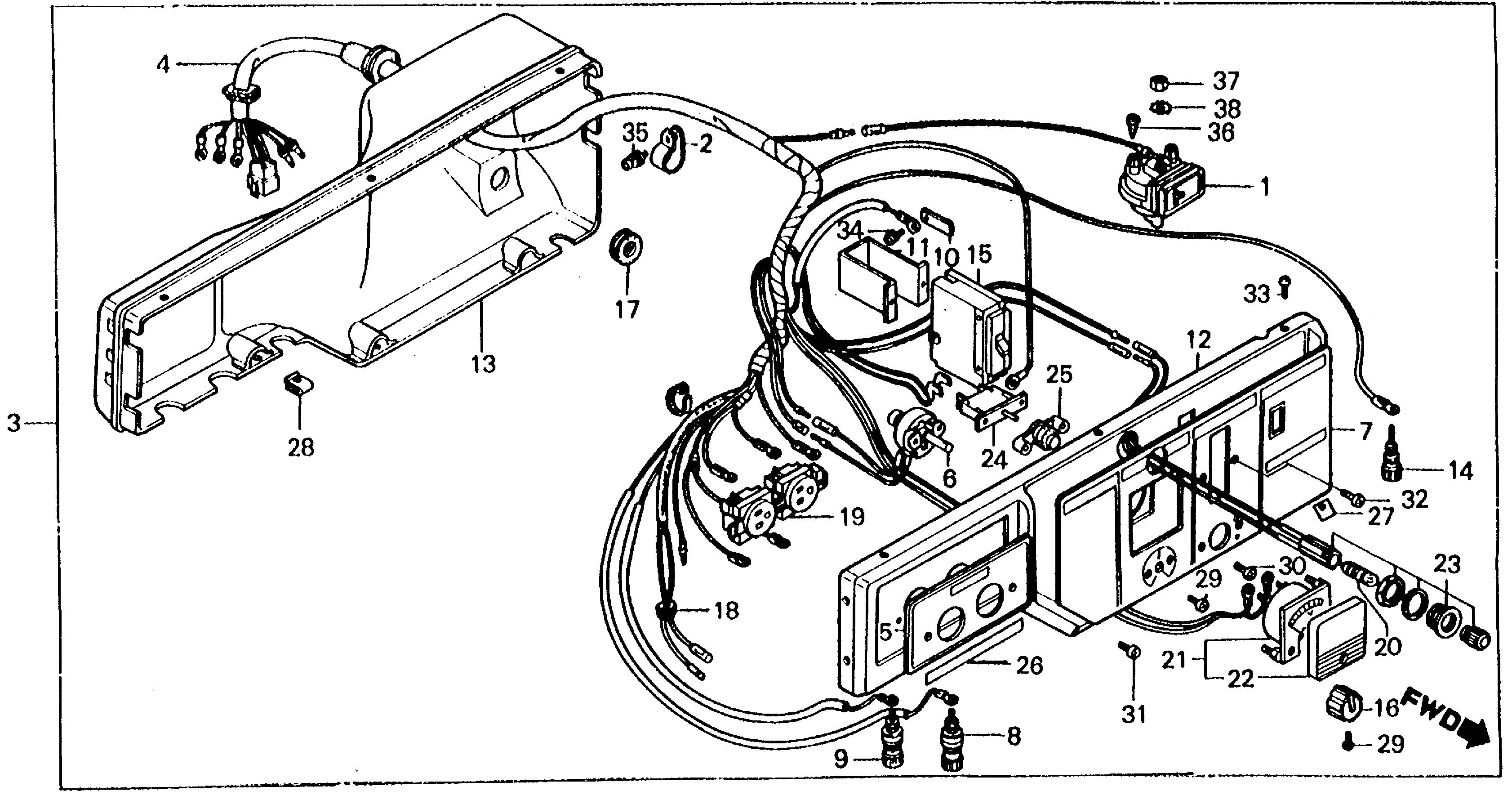
Ref No
Part Number
Description
Serial Range
Qty
Price
Ref No 1
Part Number 15520-898-003
Description SWITCH ASSY., OIL ALERT UNIT
Serial Range 1000001 - 9999999
Qty
Price $106.50
Add To Cart
Ref No 2
Part Number 30566-898-000
Description CLAMP, CABLE
Serial Range 1000001 - 9999999
Ref No 3
Part Number 31400-898-631H
Description BOX ASSY., CONTROL *R8* (BRIGHT RED)
Serial Range 1000001 - 9999999
Ref No 4
Part Number 31404-898-631
Description WIRE HARNESS
Serial Range 1000001 - 9999999
Ref No 5
Part Number 31405-898-630
Description MARK, A.C. OUTPUT (NOT AVAILABLE)
Serial Range 1000001 - 9999999
Ref No 6
Part Number 31406-876-003
Description RESISTOR, VARIABLE (NOT AVAILABLE)
Serial Range 1000001 - 9999999
Ref No 7
Part Number 31406-898-630
Description MARK, SWITCH PANEL (NOT AVAILABLE)
Serial Range 1000001 - 9999999
Ref No 8
Part Number 31408-880-000
Description TERMINAL, D.C. OUTPUT (+)
Serial Range 1000001 - 9999999
Qty
Price $45.58
Add To Cart
Ref No 9
Part Number 31409-880-000
Description TERMINAL, D.C. OUTPUT (-)
Serial Range 1000001 - 9999999
Qty
Price $45.58
Add To Cart
Ref No 10
Part Number 31414-880-000
Description TERMINAL, BREAKER
Serial Range 1000001 - 9999999
Qty
Price $18.38
Add To Cart
Ref No 11
Part Number 31415-898-630
Description SUPPORT, BREAKER
Serial Range 1000001 - 9999999
Ref No 12
Part Number 31420-898-003H
Description PANEL, CONTROL *R8* (BRIGHT RED) (NOT AVAILABLE)
Serial Range 1000001 - 9999999
Ref No 13
Part Number 31425-898-000
Description CASE, CONTROL
Serial Range 1000001 - 9999999
Ref No 14
Part Number 31428-880-910
Description TERMINAL ASSY., GROUND
Serial Range 1000001 - 9999999
Ref No 15
Part Number 31430-898-630
Description BREAKER, CIRCUIT (18A) (NOT AVAILABLE)
Serial Range 1000001 - 9999999
Ref No 16
Part Number 31461-898-000
Description KNOB, ADJUSTING
Serial Range 1000001 - 9999999
Qty
Price $13.92
Add To Cart
Ref No 17
Part Number 31473-898-000
Description GROMMET, UNIT SWITCH
Serial Range 1000001 - 9999999
Qty
Price $6.44
Add To Cart
Ref No 18
Part Number 31486-898-700
Description GROMMET, SWITCH WIRE (NOT AVAILABLE)
Serial Range 1000001 - 9999999
Ref No 19
Part Number 32330-877-000
Description RECEPTACLE (15A/125V)
Serial Range 1000001 - 9999999
Qty
Price $79.74
Add To Cart
Ref No 20
Part Number 34909-880-000
Description BULB, DASH (24V-2W)
Serial Range 1000001 - 9999999
Ref No 21
Part Number 37450-898-000
Description VOLTMETER ASSY.
Serial Range 1000001 - 9999999
Qty
Price $230.32
Add To Cart
Ref No 22
Part Number 37451-898-000
Description LENS, METER (NOT AVAILABLE)
Serial Range 1000001 - 9999999
Ref No 23
Part Number 37560-ZA0-003
Description SOCKET ASSY., PILOT LAMP
Serial Range 1000001 - 9999999
Qty
Price $35.32
Add To Cart
Ref No 24
Part Number 38240-898-000
Description PROTECTOR, CIRCUIT (D.C.)
Serial Range 1000001 - 9999999
Qty
Price $35.98
Add To Cart
Ref No 25
Part Number 38250-898-000
Description LENS ASSY., PROTECTOR
Serial Range 1000001 - 9999999
Qty
Price $23.90
Add To Cart
Ref No 26
Part Number 87524-898-630
Description MARK, D.C. OUTPUT (NOT AVAILABLE)
Serial Range 1000001 - 9999999
Ref No 27
Part Number 87534-892-640
Description MARK, GROUND
Serial Range 1000001 - 9999999
Qty
Price $2.40
Add To Cart
Ref No 28
Part Number 90320-692-000
Description NUT, SPRING (5MM)
Serial Range 1000001 - 9999999
Qty
Price $8.74
Add To Cart
Ref No 29
Part Number 93500-03006-0G
Description SCREW, PAN (3X6)
Serial Range 1000001 - 9999999
Ref No 30
Part Number 93500-03012-1G
Description SCREW, PAN (3X12)
Serial Range 1000001 - 9999999
Ref No 31
Part Number 93500-04006-0A
Description SCREW, PAN (4X6)
Serial Range 1000001 - 9999999
Qty
Price $1.00
Add To Cart
Ref No 32
Part Number 93500-04006-0G
Description SCREW, PAN (4X6)
Serial Range 1000001 - 9999999
Qty
Price $1.00
Add To Cart
Ref No 33
Part Number 93500-05010-0A
Description SCREW, PAN (5X10)
Serial Range 1000001 - 9999999
Qty
Price $1.10
Add To Cart
Ref No 34
Part Number 93500-05012-3J
Description SCREW, PAN (5X12)
Serial Range 1000001 - 9999999
Qty
Price $1.24
Add To Cart
Ref No 35
Part Number 93893-04016-00
Description SCREW-WASHER (4X16)
Serial Range 1000001 - 9999999
Qty
Price $1.68
Add To Cart
Ref No 36
Part Number 93901-15120
Description SCREW, TAPPING (5X10)
Serial Range 1000001 - 9999999
Qty
Price $0.80
Add To Cart
Ref No 37
Part Number 94001-05390-0S
Description NUT, HEX. (5MM)
Serial Range 1000001 - 9999999
Qty
Price $1.32
Add To Cart
Ref No 38
Part Number 94111-05800
Description WASHER, SPRING (5MM)
Serial Range 1000001 - 9999999
Qty
Price $1.38
Add To Cart