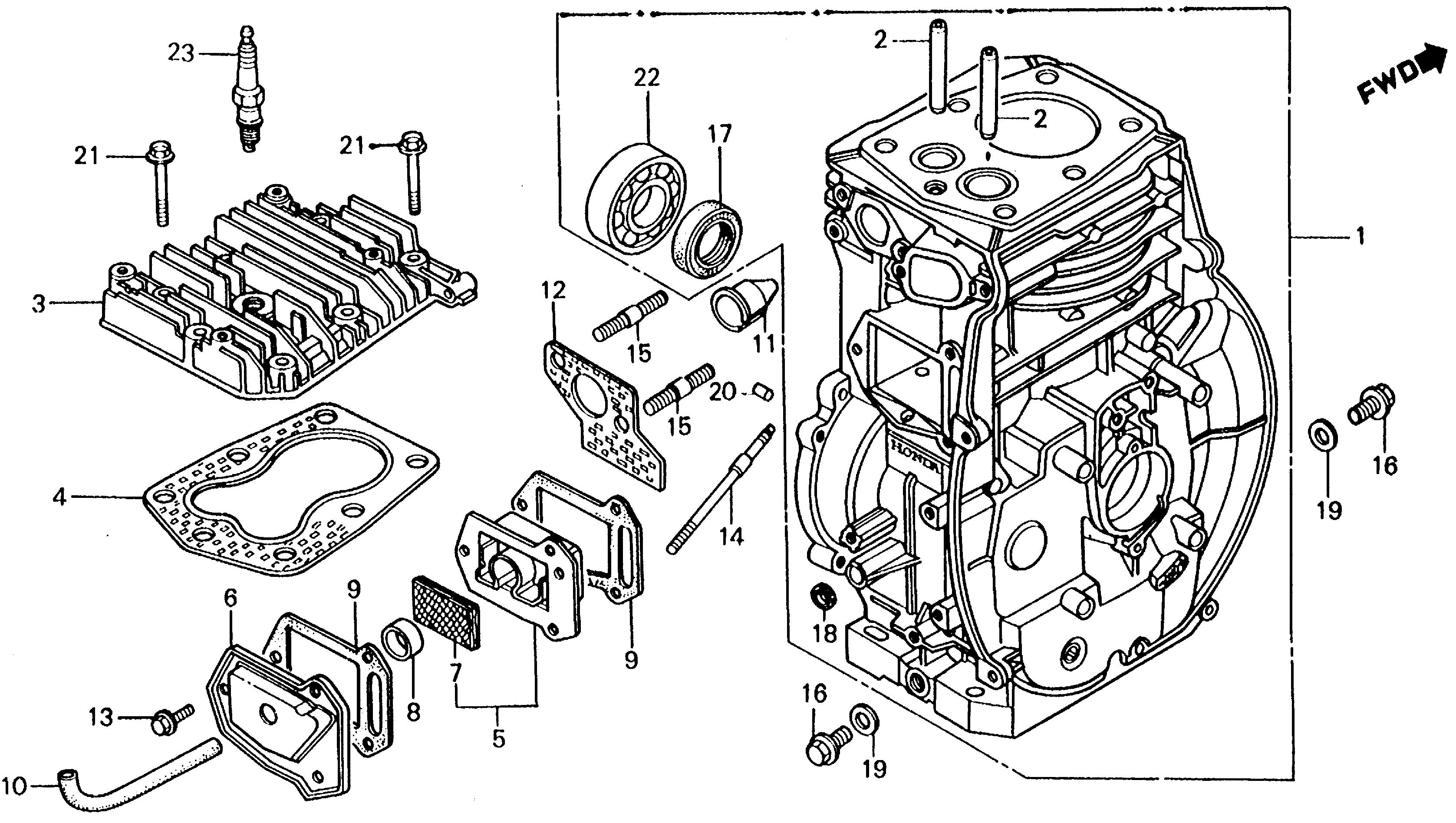
Generators EM EM2200 EM2200 A GE200-1000001-9999999 CYLINDER@CYLINDER HEAD - Nutter Hardware and Rental

Ref No
Part Number
Description
Serial Range
Qty
Price

Ref No
1
Part Number
120A0-898-000
Description
CYLINDER ASSY.
Serial Range
1000001 - 9999999

Ref No
2
Part Number
12133-883-306
Description
GUIDE, VALVE (OVER SIZE)
Serial Range
1000001 - 9999999
Qty
Price
$16.52

Ref No
3
Part Number
122A2-898-000
Description
CYLINDER HEAD (NOT AVAILABLE)
Serial Range
1000001 - 9999999

Ref No
4
Part Number
12281-883-306
Description
GASKET, CYLINDER HEAD
Serial Range
1000001 - 9999999

Ref No
4
Part Number
12281-883-800
Description
GASKET, CYLINDER HEAD
Serial Range
1000001 - 9999999

Ref No
4
Part Number
12281-883-801
Description
GASKET, CYLINDER HEAD
Serial Range
1000001 - 9999999
Qty
Price
$29.86

Ref No
5
Part Number
12360-898-000
Description
CASE, BREATHER
Serial Range
1000001 - 9999999

Ref No
6
Part Number
12361-883-000
Description
COVER, TAPPET ROOM
Serial Range
1000001 - 9999999
Qty
Price
$15.04

Ref No
7
Part Number
12367-883-003
Description
FILTER, BREATHER
Serial Range
1000001 - 9999999
Qty
Price
$3.50

Ref No
8
Part Number
12369-883-000
Description
SEAL, BREATHER
Serial Range
1000001 - 9999999
Qty
Price
$4.14

Ref No
9
Part Number
12375-883-000
Description
GASKET, TAPPET COVER
Serial Range
1000001 - 9999999
Qty
Price
$4.12

Ref No
10
Part Number
15721-898-000
Description
TUBE, BREATHER (NOT AVAILABLE)
Serial Range
1000001 - 9999999

Ref No
11
Part Number
18321-898-000
Description
LINER, EX. PORT
Serial Range
1000001 - 9999999
Qty
Price
$10.08

Ref No
12
Part Number
18381-898-000
Description
GASKET, MUFFLER (NOT AVAILABLE)
Serial Range
1000001 - 9999999

Ref No
13
Part Number
90013-883-000
Description
BOLT, FLANGE (6X12) (CT200)
Serial Range
1000001 - 9999999

Ref No
14
Part Number
90043-883-681
Description
BOLT, STUD (6X89)
Serial Range
1000001 - 9999999
Qty
Price
$6.78

Ref No
15
Part Number
90047-883-000
Description
BOLT, STUD (8X35)
Serial Range
1000001 - 9999999
Qty
Price
$4.86

Ref No
16
Part Number
90131-896-650
Description
BOLT, DRAIN PLUG (12X15)
Serial Range
1000001 - 9999999

Ref No
17
Part Number
91201-Z0T-801
Description
OIL SEAL (25X41X6) (NOK)
Serial Range
1000001 - 9999999

Ref No
17
Part Number
91202-883-005
Description
OIL SEAL (25X41X6)
Serial Range
1000001 - 9999999

Ref No
18
Part Number
91231-891-003
Description
OIL SEAL (6X11X4) (ARAI)
Serial Range
1000001 - 9999999
Qty
Price
$2.84

Ref No
19
Part Number
94109-12000
Description
WASHER, DRAIN PLUG (12MM)
Serial Range
1000001 - 9999999
Qty
Price
$1.50

Ref No
20
Part Number
94301-08140
Description
PIN, DOWEL (8X14)
Serial Range
1000001 - 9999999
Qty
Price
$2.74

Ref No
21
Part Number
95700-08045-08
Description
BOLT, FLANGE (8X45)
Serial Range
1000001 - 9999999

Ref No
21
Part Number
95701-08045-08
Description
BOLT, FLANGE (8X45)
Serial Range
1000001 - 9999999
Qty
Price
$2.78

Ref No
22
Part Number
96100-62050-00
Description
BEARING, RADIAL BALL (6205)
Serial Range
1000001 - 9999999

Ref No
23
Part Number
98076-54914
Description
SPARK PLUG (BPR-4HS-10) (NGK)
Serial Range
1000001 - 9999999

Ref No
23
Part Number
98076-54917
Description
SPARK PLUG (BPR4HS-10)
Serial Range
1000001 - 9999999
Qty
Price
$2.46

Ref No
23
Part Number
98076-54954
Description
SPARK PLUG (W14FPR-UL10) (DENSO)
Serial Range
1000001 - 9999999
Qty
Price
$3.16