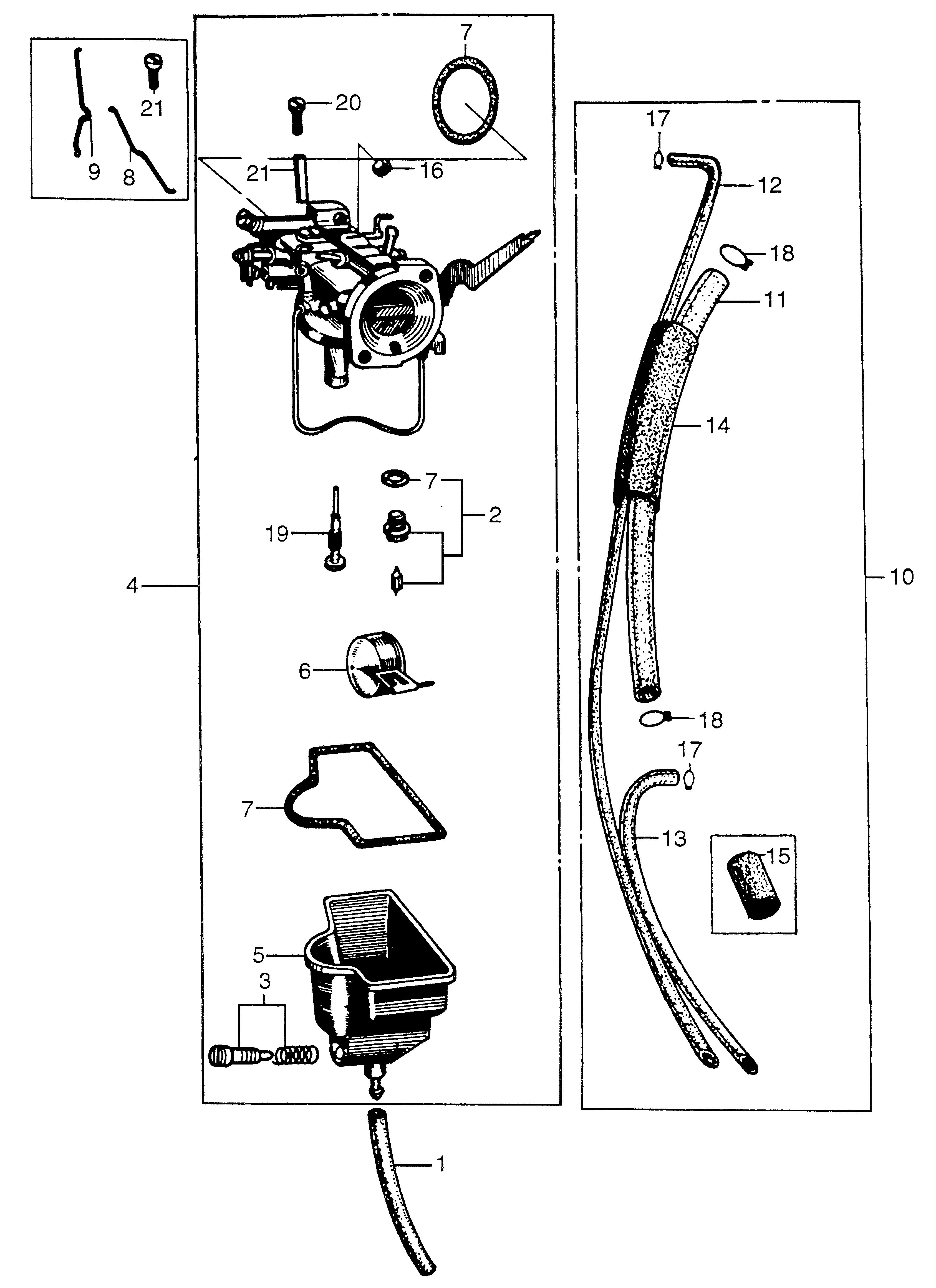
Generators E E300 E300K2 A GE300-2001601-2146675 EK1 K2 CARBURETOR - Nutter Hardware and Rental

Ref No
Part Number
Description
Serial Range
Qty
Price

Ref No
1
Part Number
16118-836-010
Description
PIPE, RUBBER (2.5X7X60) (NOT AVAILABLE)
Serial Range
2000001 - 9999999

Ref No
2
Part Number
16011-866-004
Description
VALVE SET, FLOAT
Serial Range
1000001 - 2000000

Ref No
3
Part Number
16024-836-004
Description
SCREW SET, DRAIN (NOT AVAILABLE)
Serial Range
1000001 - 9999999

Ref No
4
Part Number
16100-836-004
Description
CARBURETOR ASSY. (NOT AVAILABLE)
Serial Range
1000001 - 9999999

Ref No
5
Part Number
16121-812-004
Description
CUP, FLOAT (NOT AVAILABLE)
Serial Range
1000001 - 9999999

Ref No
6
Part Number
16122-812-004
Description
FLOAT SET (N/A: USE P/N 16013-812-004) (ALT. PNO: 16013-812-004)
Serial Range
1000001 - 9999999

Ref No
7
Part Number
16174-204-004
Description
GASKET SET (NOT AVAILABLE)
Serial Range
1000001 - 9999999

Ref No
11
Part Number
16851-812-010
Description
TUBE, FUEL
Serial Range
1004271 - 1240000

Ref No
11
Part Number
95001-45003-60M
Description
BULK HOSE, FUEL (4.5X3000) (4.5X143)
Serial Range
1004271 - 1240000
Qty
Price
$53.32

Ref No
12
Part Number
16855-836-010
Description
TUBE, VALVE BREATHER (NOT AVAILABLE)
Serial Range
1000001 - 9999999

Ref No
13
Part Number
16856-836-000
Description
TUBE, CARBURETOR OVERFLOW (NOT AVAILABLE)
Serial Range
1000001 - 9999999

Ref No
16
Part Number
94001-05000-0S
Description
NUT, HEX. (5MM)
Serial Range
1000001 - 9999999
Qty
Price
$3.34

Ref No
17
Part Number
95002-02650
Description
CLIP, TUBE (B6.5)
Serial Range
1240001 - 9999999
Qty
Price
$1.86

Ref No
19
Part Number
99108-05504
Description
JET, MAIN (#55) (NOT AVAILABLE)
Serial Range
1000001 - 1098238

Ref No
19
Part Number
99114-836-0582
Description
JET, MAIN (#58) (NOT AVAILABLE)
Serial Range
2000001 - 9999999

Ref No
19
Part Number
99114-836-0620
Description
JET, MAIN (#62) (NOT AVAILABLE)
Serial Range
1106001 - 9999999

Ref No
20
Part Number
99134-836-0381
Description
JET, PILOT (#38) (NOT AVAILABLE)
Serial Range
2000001 - 9999999

Ref No
21
Part Number
99124-816-0420
Description
JET, SLOW (#42) (NOT AVAILABLE)
Serial Range
1106001 - 9999999

Ref No
21
Part Number
99124-836-0420
Description
JET, SLOW (#42)
Serial Range
1106001 - 9999999